Home   |  Schematics |  Products |  Tutorials  |  Datasheets  |  Robotics   |   Download    |   Link Exchange


Direct Current
Alternating Current
Digital Electronics
PC Architecture
Electronics Dictionary
Resources

Experiment
Calculator/Converters
Radio
Newsletter
Associations and Societies
Component Manufacturers


Electronics Symentics


Alarms and Security related Schematics

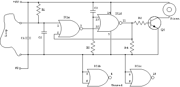
Wire loop alarm

This circuit is a simple wire loop alarm that can be used in doorways, hallways, or any other place the tripwire will be broken by intruders. The circuit has a built in siren, but it can be replaced by a relay to drive an external siren, commercial alarm, etc.

Parts:

Part
Total Qty.
Description
Substitutions
R1 1 100K 1/2W 1% Resistor  
R2, R4 2 10K 1/2W 1% Resistor  
R3 1 1 Meg 1/2W 1% Resistor  
C1, C3 2 0.1uF Ceramic Disc Capacitor  
C2 1 0.01uF Ceramic Disc Capacitor  
IC1 1 4001UBE Quad 2-i/p NOR Gate  
Q1 1 MPSA14 Low Power NPN Transistor  
SIREN 1 Micro piezo siren 12V DC 150mA, 110dB @ 1M  
LOOP 1 See "Notes"  
MISC 1 Board, Wire, Socket For IC1  

Notes:

1. Email Alex Meaden with questions, comments, etc.

2. The loop can be any type of hookup wire, with a maximum resistance of about 90K. Using very thin wire (40AWG, for example) will make a very sensitive trip wire, but will shorten the distance it can be strung due to the high resistance.

3. The siren can be replaced with a relay to drive external loads.





Home  Products  Tutorials   Schematics   Robotics   Resources   Radio Stuff    Career    Download   Link Exchange

HTML Sitemap   XML Sitemap


Terms & Conditions  Privacy Policy and Disclaimer