Home   |  Schematics |  Products |  Tutorials  |  Datasheets  |  Robotics   |   Download    |   Link Exchange


Direct Current
Alternating Current
Digital Electronics
PC Architecture
Electronics Dictionary
Resources

Experiment
Calculator/Converters
Radio
Newsletter
Associations and Societies
Component Manufacturers


Electronics Symentics


Automative, car and motorcycle schematics

Car battery charger

This charger will quickly and easily charge most any lead acid battery. The charger delivers full current until the current drawn by the battery falls to 150 mA. At this time, a lower voltage is applied to finish off and keep from over charging. When the battery is fully charged, the circuit switches off and lights a LED, telling you that the cycle has finished.

Schematic

Parts

Part
Total Qty.
Description
R1 1 500 Ohm 1/4 W Resistor
R2 1 3K 1/4 W Resistor
R3 1 1K 1/4 W Resistor
R4 1 15 Ohm 1/4 W Resistor
R5 1 230 Ohm 1/4 W Resistor
R6 1 15K 1/4 W Resistor
R7 1 0.2 Ohm 10 W Resistor
C1 1 0.1uF 25V Ceramic Capacitor
C2 1 1uF 25V Electrolytic Capacitor
C3 1 1000pF 25V Ceramic Capacitor
D1 1 1N457 Diode
Q1 1 2N2905 PNP Transistor
U1 1 LM350 Regulator
U2 1 LM301A Op Amp
S1 1 Normally Open Push Button Switch
MISC 1 Wire, Board, Heatsink For U1, Case, Binding Posts or Alligator Clips For Output

 

Notes

  • The circuit was meant to be powered by a power supply, which is why there is no transformer, rectifier, or filter capacitors on the schematic. There is no reason why you cannot add these.

  • A heatsink will be needed for U1.

  • To use the circuit, hook it up to a power supply/plug it in. Then, connect the battery to be charged to the output terminals. All you have to do now is push S1 (the "Start" switch), and wait for the circuit to finish.

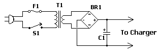
  • If you want to use the charger without having to provide an external power supply, use the following circuit.

Part
Total Qty.
Description
Substitutions
C1 1 6800uF 25V Electrolytic Capcitor  
T1 1 3A 15V Transformer  
BR1 1 5A 50V Bridge Rectifier 10A 50V Bridge Rectifier
S1 1 5A SPST Switch  
F1 1 4A 250V Fuse  
  • The first time you use the circuit, you should check up on it every once and a while to make sure that it is working properly and the battery is not being over charged.





Home  Products  Tutorials   Schematics   Robotics   Resources   Radio Stuff    Career    Download   Link Exchange

HTML Sitemap   XML Sitemap


Terms & Conditions  Privacy Policy and Disclaimer