|
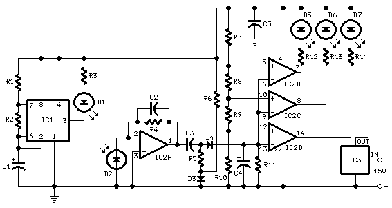
Three LEDs signal bumper-barrier
distance
Infra-red operation, indoor use

R1_____________10K 1/4W Resistor
R2,R5,R6,R9_____1K 1/4W Resistors
R3_____________33R 1/4W Resistor
R4,R11__________1M 1/4W Resistors
R7______________4K7 1/4W Resistor
R8______________1K5 1/4W Resistor
R10,R12-R14_____1K 1/4W Resistors
C1,C4___________1΅F 63V Electrolytic or
Polyester Capacitors
C2_____________47pF 63V Ceramic
Capacitor
C3,C5_________100΅F 25V Electrolytic
Capacitors
D1_____________Infra-red LED
D2_____________Infra-red Photo Diode
(see Notes)
D3,D4________1N4148 75V 150mA Diodes
D5-7___________LEDs (Any color and size)
IC1_____________555 Timer IC
IC2___________LM324 Low Power Quad
Op-amp
IC3____________7812 12V 1A Positive
voltage regulator IC
This circuit was designed as an aid in
parking the car near the garage wall when backing up.
LED D7 illuminates when bumper-wall distance is about 20
cm., D7+D6 illuminate at about 10 cm. and D7+D6+D5 at
about 6 cm. In this manner you are alerted when
approaching too close to the wall.
All distances mentioned before can vary,
depending on infra-red transmitting and receiving LEDs
used and are mostly affected by the color of the
reflecting surface. Black surfaces lower greatly the
device's sensitivity.
Obviously, you can use this circuit in
other applications like liquids level detection,
proximity devices etc.
IC1 forms an oscillator driving the
infra-red LED by means of 0.8mSec. pulses at 120Hz
frequency and about 300mA peak current. D1 & D2 are
placed facing the car on the same line, a couple of
centimeters apart, on a short breadboard strip fastened
to the wall. D2 picks-up the infra-red beam generated by
D1 and reflected by the surface placed in front of it.
The signal is amplified by IC2A and peak detected by D4
& C4. Diode D3, with R5 & R6, compensate for the forward
diode drop of D4. A DC voltage proportional to the
distance of the reflecting object and D1 & D2 feeds the
inverting inputs of three voltage comparators. These
comparators switch on and off the LEDs, referring to
voltages at their non-inverting inputs set by the
voltage divider resistor chain R7-R10.
-
Power supply must be regulated (hence
the use of IC3) for precise reference voltages. The
circuit can be fed by a commercial wall plug-in power
supply, having a DC output voltage in the range 12-24V.
-
Current drawing: LEDs off 40mA; all LEDs
on 60mA @ 12V DC supply.
-
The infra-red Photo Diode D2, should be
of the type incorporating an optical sunlight filter:
these components appear in black plastic cases. Some of
them resemble TO92 transistors: in this case, please
note that the sensitive surface is the curved, not the
flat one.
-
Avoid sun or artificial light hitting
directly D1 & D2.
-
If your car has black bumpers, you can
line-up the infra-red diodes with the (mostly white)
license or number plate.
-
It's wiser to place all the circuitry
near the infra-red LEDs in a small box. The 3 signaling
LEDs can be placed far from the main box at an height
making them well visible by the car driver.
-
The best setup is obtained bringing D2
nearer to D1 (without a reflecting object) until D5
illuminates; then moving it a bit until D5 is clearly
off. Usually D1-D2 optimum distance lies in the range
1.5-3 cm.
-
If you are needing a simpler circuit of
this kind driving a LED or a relay, click Infra-red
Level Detector
|