|
Adaptable with most internal combustion
engine vehicles

R1,R2,R19_______1K 1/4W Resistors
R3-R6,R13,R17_100K 1/4W Resistors
R7,R15__________1M 1/4W Resistors
R8_____________50K 1/2W Trimmer Cermet
R9____________470R 1/4W Resistor
R10___________470K 1/4W Resistor
R11___________100K 1/2W Trimmer Cermet
(see notes)
R12___________220K 1/4W Resistor (see
notes)
R14,R16________68K 1/4W Resistors
R18____________22K 1/4W Resistor
R20___________150R 1/4W Resistor (see
notes)
C1,C7_________100΅F 25V Electrolytic
Capacitors
C2,C3_________330nF 63V Polyester
Capacitors
C4-C6___________4΅7 25V Electrolytic
Capacitors
D1,D5______Red LEDs 3 or 5mm.
D2,D3________1N4148 75V 150mA Diodes
D4________BZX79C7V5 7.5V 500mW Zener
Diode
IC1__________CA3140 or TL061 Op-amp IC
IC2____________4069 Hex Inverter IC
IC3____________4098 or 4528 Dual
Monostable Multivibrator IC
Q1,Q2_________BC238 25V 100mA NPN
Transistors
L1_____________10mH miniature Inductor
(see notes)
BZ1___________Piezo sounder
(incorporating 3KHz oscillator)
SW1____________SPST Slider Switch
B1_______________9V PP3 Battery (see
notes)
This circuit has been designed to alert
the vehicle driver that he has reached the maximum fixed
speed limit (i.e. in a motorway). It eliminates the
necessity of looking at the tachometer and to be
distracted from driving.
There is a strict relation between
engine's RPM and vehicle speed, so this device controls
RPM, starting to beep and flashing a LED once per
second, when maximum fixed speed is reached.
Its outstanding feature lies in the fact
that no connection is required from circuit to engine.
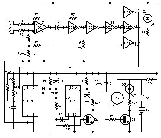
IC1 forms a differential amplifier for
the electromagnetic pulses generated by the engine
sparking-plugs, picked-up by sensor coil L1. IC2A
further amplifies the pulses and IC2B to IC2F inverters
provide clean pulse squaring. The monostable
multivibrator IC3A is used as a frequency discriminator,
its pin 6 going firmly high when speed limit (settled by
R11) is reached. IC3B, the transistors and associate
components provide timings for the signaling part,
formed by LED D5 and piezo sounder BZ1. D3 introduces a
small amount of hysteresis.
-
D1 is necessary at set-up to monitor the sparking-plugs
emission, thus permitting to find easily the best
placement for the device on the dashboard or close to
it. After the setting is done, D1 & R9 can be omitted or
switched-off, with battery saving.
-
During the preceding operation R8 must be adjusted for
better results. The best setting of this trimmer is
usually obtained when its value lies between 10 and 20K.
-
You must do this first setting when the engine is on but
the vehicle is stationary.
-
The final simplest setting can be made with the help of
a second person. Drive the vehicle and reach the speed
needed. The helper must adjust the trimmer R11 until the
device operates the beeper and D5. Reducing car's speed
the beep must stop.
-
L1 can be a 10mH small inductor usually sold in the form
of a tiny rectangular plastic box. If you need an higher
sensitivity you can build a special coil, winding 130 to
150 turns of 0.2 mm. enameled wire on a 5 cm. diameter
former (e.g. a can). Extract the coil from the former
and tape it with insulating tape making thus a
stand-alone coil.
-
Circuit's current drawing is approx. 10mA. If you intend
to use the car's 12V battery, you can connect the device
to the lighter socket. In this case R20 must be 330R.
-
Depending on the engine's cylinders number, R11 can be
unable to set the device properly. In some cases you
must use R11=200K and R12=100K or less.
-
If you need to set-up the device on the bench, a sine or
square wave variable generator is required.
-
To calculate the frequency relation to RPM in a four
strokes engine you can use the following formula:
-
Hz= (Number of cylinders * RPM) / 120.
-
For a two strokes engine the formula is: Hz= (Number of
cylinders * RPM) / 60.
-
Thus, for a car with a four strokes engine and four
cylinders the resulting frequency @ 3000 RPM is 100Hz.
-
Temporarily disconnect C2 from IC1's pin 6. Connect the
generator's output to C2 and Ground. Set the generator's
frequency to i.e. 100Hz and regulate R11 until you hear
the beeps and LED D5 flashes. Reducing the frequency to
99 or 98 Hz, beeping and flashing must stop.
-
This circuit is not suited to Diesel engines.
|