|
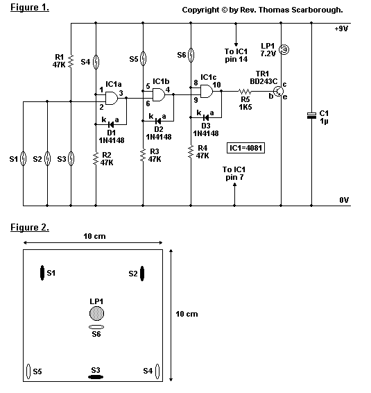
The simple conjuring trick in Figure 1
is intended to provide some enjoyment for the beginner
in electronics or conjuring, and should take only an
hour or two to build.

The trick works as follows: a wand (with
a magnet mounted in one end) must pass in a 1-2-3
sequence over reed switches S4 to S6 before the bulb LP1
will light. If the wand passes over reed switches S1,
S2, or S3, the 1-2-3 sequence will be reset (that is,
cancelled). Or, if the bulb is already burning, the
activation of reed switches S1, S2, or S3 will
extinguish it.
All the reed switches - S1 to S6 - are
glued just beneath the surface of a 10 cm� box (Figure
2). A general purpose adhesive is suggested, so that the
reed switches may later be moved if necessary. The bulb,
LP1, is mounted in the centre of the box. A small PP3 9V
battery may be used. The prototype box was built using
balsa wood.
The wand may be waved back and forth in
various motions over the box, on condition that it
finally passes in the correct 1-2-3 sequence over S4 to
S6 (at which point LP1 will light). This should
thoroughly confuse any onlooker and make it virtually
impossible for another person to repeat the correct
motions with the same wand. The wand may also be lifted
just high enough over reed switches S1 to S3 so as not
to trigger them.
A 7.2V filament bulb, LP1, was used -
instead of, say, a LED - so as not to give the trick an
"electronic" appearance.
The operation of the circuit is fairly
simple. Three AND logic gates of a 4081 CMOS IC are
employed, with gates IC1a to IC1c being configured as a
standard cascaded latch circuit. S1 to S3 serve as reset
switches. The output at pin 10 will only switch to logic
high when reed switches S4 to S6 are closed in sequence.
Power transistor TR1 amplifies the output current to
light bulb LP1.
Instead of a wand, a small neobdymium
(super-strength) magnet may be stuck to one finger, and
one's finger used in place of the wand.
In "stand-by" mode (with the bulb
extinguished) the circuit will use very little current.
Therefore a switch is not included in the circuit (of
course, one may be added). The box may be opened and the
battery simply clipped on or off. |