| 
						
						
						
						 This is an easy to build, but 
						nevertheless very accurate and useful digital voltmeter. 
						It has been designed as a panel meter and can be used in 
						DC power supplies or anywhere else it is necessary to 
						have an accurate indication of the voltage present. The 
						circuit employs the ADC (Analogue to Digital Converter) 
						I.C. CL7107 made by INTERSIL. This IC incorporates in a 
						40 pin case all the circuitry necessary to convert an 
						analogue signal to digital and can drive a series of 
						four seven segment LED displays directly. The circuits 
						built into the IC are an analogue to digital converter, 
						a comparator, a clock, a decoder and a seven segment LED 
						display driver. The circuit as it is described here can 
						display any DC voltage in the range of 0-1999 Volts.  
						
						Supply Voltage: ............. +/- 5 V (Symmetrical) 
						Power requirements: ..... 200 mA (maximum) 
						Measuring range: .......... +/- 0-1,999 VDC in four ranges 
						Accuracy: ....................... 0.1 % 
						
						- Small size  
						- Easy construction  
						- Low cost. 
						- Simple adjustment. 
						- Easy to read from a distance. 
						- Few external components. 
						
						In order to understand the principle of 
						operation of the circuit it is necessary to explain how 
						the ADC IC works. This IC has the following very 
						important features: 
						- Great accuracy. 
						- It is not affected by noise. 
						- No need for a sample and hold circuit. 
						- It has a built-in clock. 
						- It has no need for high accuracy 
						external components. 
						
						
						  
						Schematic (fixed 22-2-04) 
						  
						
						  
						7-segment display pinout MAN6960 
						An Analogue to Digital Converter, (ADC 
						from now on) is better known as a dual slope converter 
						or integrating converter. This type of converter is 
						generally preferred over other types as it offers 
						accuracy, simplicity in design and a relative 
						indifference to noise which makes it very reliable. The 
						operation of the circuit is better understood if it is 
						described in two stages. During the first stage and for 
						a given period the input voltage is integrated, and in 
						the output of the integrator at the end of this period, 
						there is a voltage which is directly proportional to the 
						input voltage. At the end of the preset period the 
						integrator is fed with an internal reference voltage and 
						the output of the circuit is gradually reduced until it 
						reaches the level of the zero reference voltage. This 
						second phase is known as the negative slope period and 
						its duration depends on the output of the integrator in 
						the first period. As the duration of the first operation 
						is fixed and the length of the second is variable it is 
						possible to compare the two and this way the input 
						voltage is in fact compared to the internal reference 
						voltage and the result is coded and is send to the 
						display. 
						
						
						  
						
						All this sounds quite easy but it is in 
						fact a series of very complex operations which are all 
						made by the ADC IC with the help of a few external 
						components which are used to configure the circuit for 
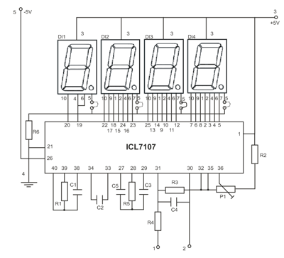
						the job. In detail the circuit works as follows. The 
						voltage to be measured is applied across points 1 and 2 
						of the circuit and through the circuit R3, R4 and C4 is 
						finally applied to pins 30 and 31 of the IC. These are 
						the input of the IC as you can see from its diagram. (IN 
						HIGH & IN LOW respectively). The resistor R1 together 
						with C1 are used to set the frequency of the internal 
						oscillator (clock) which is set at about 48 Hz. At this 
						clock rate there are about three different readings per 
						second. The capacitor C2 which is connected between pins 
						33 and 34 of the IC has been selected to compensate for 
						the error caused by the internal reference voltage and 
						also keeps the display steady. The capacitor C3 and the 
						resistor R5 are together the circuit that does the 
						integration of the input voltage and at the same time 
						prevent any division of the input voltage making the 
						circuit faster and more reliable as the possibility of 
						error is greatly reduced. The capacitor C5 forces the 
						instrument to display zero when there is no voltage at 
						its input. The resistor R2 together with P1 are used to 
						adjust the instrument during set-up so that it displays 
						zero when the input is zero. The resistor R6 controls 
						the current that is allowed to flow through the displays 
						so that there is sufficient brightness with out damaging 
						them. The IC as we have already mentioned above is 
						capable to drive four common anode LED displays. The 
						three rightmost displays are connected so that they can 
						display all the numbers from 0 to 9 while the first from 
						the left can only display the number 1 and when the 
						voltage is negative the �-� sign. The whole circuit 
						operates from a symmetrical ρ 5 VDC supply which is 
						applied at pins 1 (+5 V), 21 (0 V) and 26 (-5 V) of the 
						IC. 
						
						First of all let us consider a few 
						basics in building electronic circuits on a printed 
						circuit board. The board is made of a thin insulating 
						material clad with a thin layer of conductive copper 
						that is shaped in such a way as to form the necessary 
						conductors between the various components of the 
						circuit. The use of a properly designed printed circuit 
						board is very desirable as it speeds construction up 
						considerably and reduces the possibility of making 
						errors. To protect the board during storage from 
						oxidation and assure it gets to you in perfect condition 
						the copper is tinned during manufacturing and covered 
						with a special varnish that protects it from getting 
						oxidised and also makes soldering easier. 
						Soldering the components to the board is the only way to 
						build your circuit and from the way you do it depends 
						greatly your success or failure. This work is not very 
						difficult and if you stick to a few rules you should 
						have no problems. The soldering iron that you use must 
						be light and its power should not exceed the 25 Watts. 
						The tip should be fine and must be kept clean at all 
						times. For this purpose come very handy specially made 
						sponges that are kept wet and from time to time you can 
						wipe the hot tip on them to remove all the residues that 
						tend to accumulate on it. 
						DO NOT file or sandpaper a dirty or worn 
						out tip. If the tip cannot be cleaned, replace it. There 
						are many different types of solder in the market and you 
						should choose a good quality one that contains the 
						necessary flux in its core, to assure a perfect joint 
						every time. 
						DO NOT use soldering flux apart from 
						that which is already included in your solder. Too much 
						flux can cause many problems and is one of the main 
						causes of circuit malfunction. If nevertheless you have 
						to use extra flux, as it is the case when you have to 
						tin copper wires, clean it very thoroughly after you 
						finish your work. 
						In order to solder a component correctly 
						you should do the following: 
						- Clean the component leads with a small 
						piece of emery paper. 
						- Bend them at the correct distance from 
						the components body and insert the component in its 
						place on the board. 
						- You may find sometimes a component 
						with heavier gauge leads than usual, that are too thick 
						to enter in the holes of the p.c. board. In this case 
						use a mini drill to enlarge the holes slightly. Do not 
						make the holes too large as this is going to make 
						soldering difficult afterwards. 
						
						
						  
						Parts placement 
						  
						
						
						  
						PCB dimensions: 77,6mm x 44,18mm or 
						scale it at 35% 
						- Take the hot iron and place its tip on 
						the component lead while holding the end of the solder 
						wire at the point where the lead emerges from the board. 
						The iron tip must touch the lead slightly above the p.c. 
						board. 
						- When the solder starts to melt and 
						flow wait till it covers evenly the area around the hole 
						and the flux boils and gets out from underneath the 
						solder. The whole operation should not take more than 5 
						seconds. Remove the iron and allow the solder to cool 
						naturally without blowing on it or moving the component. 
						If everything was done properly the surface of the joint 
						must have a bright metallic finish and its edges should 
						be smoothly ended on the component lead and the board 
						track. If the solder looks dull, cracked, or has the 
						shape of a blob then you have made a dry joint and you 
						should remove the solder (with a pump, or a solder wick) 
						and redo it. 
						- Take care not to overheat the tracks 
						as it is very easy to lift them from the board and break 
						them. 
						- When you are soldering a sensitive 
						component it is good practice to hold the lead from the 
						component side of the board with a pair of long-nose 
						pliers to divert any heat that could possibly damage the 
						component. 
						- Make sure that you do not use more 
						solder than it is necessary as you are running the risk 
						of short-circuiting adjacent tracks on the board, 
						especially if they are very close together. 
						- When you finish your work, cut off the 
						excess of the component leads and clean the board 
						thoroughly with a suitable solvent to remove all flux 
						residues that may still remain on it. 
						
						
						  
						As it is recommended start working by 
						identifying the components and separating them in 
						groups. There are two points in the construction of this 
						project that you should observe:  
						First of all the display ICs are placed 
						from the copper side of the board and second the jumper 
						connection which is marked by a dashed line on the 
						component side at the same place where the displays are 
						located is not a single jumper but it should be changed 
						according to the use of the instrument. This jumper is 
						used to control the decimal point of the display. 
						If you are going to use the instrument 
						for only one range you can make the jumper connection 
						between the rightmost hole on the board and the one 
						corresponding to the desired position for the decimal 
						point for your particular application. If you are 
						planning to use the voltmeter in different ranges you 
						should use a single pole three position switch to shift 
						the decimal point to the correct place for the range of 
						measurement selected. (This switch could preferably be 
						combined with the switch that is used to actually change 
						the sensitivity of the instrument). 
						Apart from this consideration, and the 
						fact that the small size of the board and the great 
						number of joints on it which calls for a very fine 
						tipped soldering iron, the construction of the project 
						is very straightforward. 
						Insert the IC socket and solder it in 
						place, solder the pins, continue with the resistors the 
						capacitors and the multi-turn trimmer P1. Turn the board 
						over and very carefully solder the display ICs from the 
						copper side of the board. Remember to inspect the joints 
						of the base of the IC as one row will be covered by the 
						displays and will be impossible to see any mistake that 
						you may have made after you have soldered the displays 
						into place. 
						The value of R3 controls in fact the 
						range of measurement of the voltmeter and if you provide 
						for some means to switch different resistors in its 
						place you can use the instrument over a range of 
						voltages.  
						For the replacement resistors follow the 
						table below:  
						0 - 2 V ............ R3 = 0 ohm 1% 
						0 - 20 V ........... R3 = 1.2 Kohm 1% 
						0 - 200 V .......... R3 = 12 Kohm 1% 
						0 - 2000 V ......... R3 = 120 Kohm 1% 
						When you have finished all the soldering 
						on the board and you are sure that everything is OK you 
						can insert the IC in its place. The IC is CMOS and is 
						very sensitive to static electricity. It comes wrapped 
						in aluminium foil to protect it from static discharges 
						and it should be handled with great care to avoid 
						damaging it. Try to avoid touching its pins with your 
						hands and keep the circuit and your body at ground 
						potential when you insert it in its place. 
						Connect the circuit to a suitable power 
						supply ρ 5 VDC and turn the supply on. The displays 
						should light immediately and should form a number. Short 
						circuit the input (0 V) and adjust the trimmer P1 until 
						the display indicates exactly �0�. 
						
						R1 = 180k  
						P1 = 20k trimmer multi turn  
						R2 = 22k  
						U1 = ICL 7107  
						R3 = 12k  
						LD1,2,3,4 = MAN 6960 common 
						 
						anode led displays  
						R4 = 1M  
						R5 = 470k  
						R6 = 560 Ohm  
						C1 = 100pF  
						C2, C6, C7 = 100nF  
						C3 = 47nF  
						C4 = 10nF  
						C5 = 220nF  
						
						Check your work for possible dry joints, 
						bridges across adjacent tracks or soldering flux 
						residues that usually cause problems.  
						Check again all the external connections 
						to and from the circuit to see if there is a mistake 
						there. 
						- See that there are no components 
						missing or inserted in the wrong places.  
						- Make sure that all the polarised 
						components have been soldered the right way round. - 
						Make sure the supply has the correct voltage and is 
						connected the right way round to your circuit. 
						- Check your project for faulty or 
						damaged components. 
						
						 |