|
Based on
electromagnetic-field radiation
Place it
under the pillow - Built-in timer

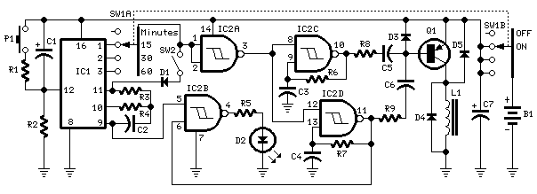
Parts:
R1,R5___________1K 1/4W Resistors
R2_____________10K 1/4W Resistor
R3,R6__________10M 1/4W Resistors
R4,R7___________2M2 1/4W Resistors
R8,R9___________4K7 1/4W Resistors
C1,C7__________47΅F 25V Electrolytic Capacitors
C2____________100nF 63V Polyester Capacitor
C3,C4_________330nF 63V Polyester Capacitors
C5,C6__________15nF 63V Polyester Capacitors
D1,D3,D4,D5__1N4148 75V 150mA Diodes
D2______________LED (any type) (see Notes)
IC1____________4060 14 stage ripple counter and
oscillator IC
IC2____________4093 Quad 2 input Schmitt NAND Gate IC
Q1____________BC327 45V 800mA PNP Transistor
L1____________Radiator coil (see Notes)
P1____________SPST Pushbutton
SW1___________2 poles 4 ways rotary switch
SW2___________SPST Slider Switch
B1____________9V PP3 Battery
Generates a natural
electromagnetic-field
Makes easier to fall asleep
Induces a prolonged and sound sleep
without drugs
No side effects
Many people experienced sleeping well in
natural surroundings, into a tent or a wooden hut. This
fact is due not only to the healthy atmosphere but also
from our unconscious ability to perceive natural Earth's
magnetic-fields.
The circuit generates this type of Geo-magnetic-fields
and lets us perceive them: in this manner our brain is
surrounded by an ideal environment for a sound sleep.
(N.B. Basic ideas for this circuit are coming from
German papers).
-
Select a timing option by means of the rotary switch
SW1.
-
Choose 15, 30 or 60 minutes operation.
-
Select "Stop" or "Alternate" mode operation by means of
SW2.
-
With SW2 closed (Stop mode operation) the
electromagnetic radiation stops after the pre-set time
is elapsed.
-
With SW2 opened (Alternate mode operation) the device
operates for the pre-set time, then pauses for the same
amount of time: this cycle repeats indefinitely.
-
Place the unit under the pillow and sleep like a log.
-
To reset a cycle press P1 pushbutton.
IC2C and IC2D generate two square waves at about 1.2 and
5 Hz respectively. These wave-forms are converted into
60΅S pulses at the same frequencies by means of C5 & C6
and mixed at Q1's Base. This transistor drives the
Radiator coil with a scalar series of pulses of 60΅S
length and 9V amplitude.
IC1, IC2A & IC2B form the timer section. C1 & R2 provide
auto-reset of IC1 at switch-on. The internal oscillator
of IC1 drives the 14 stage ripple counter and, after
about 15 minutes, output pin 1 goes high. Pin 3 of IC2A
goes low and stops IC2C & IC2D oscillation.
If SW2 is left open (Alternate mode operation), after 15
minutes pin 1 of IC1 goes low, pin 3 of IC2A goes high
and oscillators are enabled again.
If SW2 is closed (Stop mode operation), the first time
output pin 1 of IC1 goes high, the internal oscillator
of the IC is disabled by means of D1. Therefore the
circuit remains off until a reset pulse is applied to
pin 12 by means of P1 or when the whole device is
switched-off and then restarted.
The same thing occurs when SW1 is switched on 30 or 60
minutes positions, obviously changing time length.
IC2B drives pilot LED D2 which operates in the following
three modes:
-
flashes quickly and almost randomly when the Radiator
coil is driven
-
flashes somewhat slowly and regularly when the Radiator
coil is pausing during the Alternate mode operation
-
is off when the circuit auto-stops (Stop mode operation)
-
L1 is obtained by winding randomly 600 turns of 0.2 mm.
enameled wire on a 6 mm. diameter, 40 mm. long, steel
bolt. Secure the winding with insulating tape.
-
Mean current drawing is about 7mA, decreasing to less
than 4mA during pauses when in Alternate mode operation.
-
Battery life can be dramatically increased omitting LED
D2 and its associated resistor R5.
-
Use a plastic box to enclose the circuit: metal cases
can severely limit electromagnetic radiation.
|