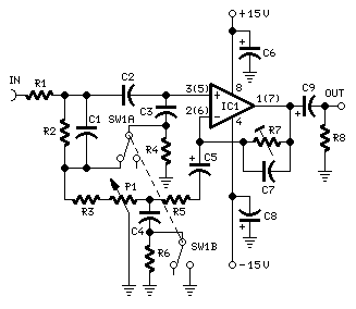
|

P1_________________10K Linear
Potentiometer (Dual-gang for stereo)
R1,R6,R8__________100K 1/4W Resistors
R2_________________27K 1/4W Resistor
R3,R5_______________1K 1/4W Resistors
R4__________________1M 1/4W Resistor
R7_________________20K 1/2W Trimmer
Cermet
C1________________100nF 63V Polyester
Capacitor
C2_________________47nF 63V Polyester
Capacitor
C3________________470nF 63V Polyester
Capacitor
C4_________________15nF 63V Polyester
Capacitor
C5,C9_______________1΅F 63V Electrolytic
or Polyester Capacitors
C6,C8______________47΅F 63V Electrolytic
Capacitors
C7________________100pF 63V Ceramic
Capacitor
IC1_______________TL072 Dual BIFET
Op-Amp
SW1________________DPDT Switch (four
poles for stereo)
In order to obtain a good audio
reproduction at different listening levels, a different
tone-controls setting should be necessary to suit the
well known behaviour of the human ear. In fact, the
human ear sensitivity varies in a non-linear manner
through the entire audible frequency band, as shown by
Fletcher-Munson curves.
A simple approach to this problem can be
done inserting a circuit in the preamplifier stage,
capable of varying automatically the frequency response
of the entire audio chain in respect to the position of
the control knob, in order to keep ideal listening
conditions under different listening levels.
Fortunately, the human ear is not too
critical, so a rather simple circuit can provide a
satisfactory performance through a 40dB range.
The circuit is shown with SW1 in the
"Control-flat" position, i.e. without the Automatic
Loudness Control. In this position the circuit acts as a
linear preamplifier stage, with the voltage gain set by
means of Trimmer R7.
Switching SW1 in the other position the
circuit becomes an Automatic Loudness Control and its
frequency response varies in respect to the position of
the control knob by the amount shown in the table below.
C1 boosts the low frequencies and C4
boosts the higher ones. Maximum boost at low frequencies
is limited by R2; R5 do the same at high frequencies.
Frequency response referred to 1KHz and
different control knob positions:

Total harmonic distortion at all
frequencies and 1V RMS output: < 0.01%
-
SW1 is shown in "Control flat" position.
-
Schematic shows left channel only,
therefore for stereo operation all parts must be doubled
except IC1, C6 and C8.
-
Numbers in parentheses show IC1 right
channel pin connections.
-
R7 should be set to obtain maximum
undistorted output
|