|

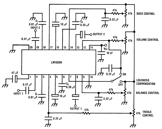
The LM1036 is a DC
controlled tone (bass/treble), volume and balance
circuit for stereo applications in car radio, TV and
audio systems. An additional control input allows
loudness compensation to be simply effected. Four
control inputs provide control of the bass, treble,
balance and volume functions through application of DC
voltages from a remote control system or, alternatively,
from four potentiometers which may be biased from a
zener regulated supply provided on the circuit. Each
tone response is defined by a single capacitor chosen to
give the desired characteristic.
Wide supply voltage
range, 9V to 16V
Large volume control
range, 75 dB typical
Tone control, �15 dB
typical
Channel separation, 75 dB
typical
Low distortion, 0.06%
typical for an input level of 0.3 Vrms
High signal to noise, 80
dB typical for an input level of 0.3 Vrms
Few external components
required
Note: Vcc can be
anything between 9V to 16V and the output capacitors are
10uF/25V electrolytic.
|