Home   |  Schematics |  Products |  Tutorials  |  Datasheets  |  Robotics   |   Download    |   Link Exchange


Direct Current
Alternating Current
Digital Electronics
PC Architecture
Electronics Dictionary
Resources

Experiment
Calculator/Converters
Radio
Newsletter
Associations and Societies
Component Manufacturers

 

Electronics Symentics


Microcontroller Beginner Kit - Learning to use LEDs and Transistors

Introduction

As electronic designs get bigger, it becomes difficult to build the complete circuit. So we will use prebuilt circuits that come in packages like the one shown above. This prebuilt circuit is called an IC. IC stands for Integrated Circuit. An IC has many transistors inside it that are connected together to form a circuit. Metal pins are connected to the circuit and the circuit is stuck into a piece of plastic or ceramic so that the metal pins are sticking out of the side. These pins allow you to connect other devices to the circuit inside. We can buy simple ICs that have several inverter circuits like the one we built in the LED and Transistor tutorial or we can buy complex ICs like a Pentium Processor.

The Pulse - More than just an on/off switch

So far the circuits we have built have been stable, meaning that the output voltage stays the same. If you change the input voltage, the output voltage changes and once it changes it will stay at the same voltage level. The 555 integrated circuit (IC) is designed so that when the input changes, the output goes from 0 volts to Vcc (where Vcc is the voltage of the power supply). Then the output stays at Vcc for a certain length of time and then it goes back to 0 volts. This is a pulse. A graph of the output voltage is shown below.



The Oscillator (A Clock) - More than just a Pulse

The pulse is nice but it only happens one time. If you want something that does something interesting forever rather than just once, you need an oscillator. An oscillator puts out an endless series of pulses. The output constantly goes from 0 volts to Vcc and back to 0 volts again. Almost all digital circuits have some type of oscillator. This stream of output pulses is often called a clock. You can count the number of pulses to tell how much time has gone by. We will see how the 555 timer can be used to generate this clock. A graph of a clock signal is shown below.

.

The Capacitor

If you already understand capacitors you can skip this part.



The picture above on the left shows two typical capacitors. Capacitors usually have two legs. One leg is the positive leg and the other is the negative leg. The positive leg is the one that is longer. The picture on the right is the symbol used for capacitors in circuit drawings (schematics). When you put one in a circuit, you must make sure the positive leg and the negative leg go in the right place. Capacitors do not always have a positive leg and a negative leg. The smallest capacitors in this kit do not. It does not matter which way you put them in a circuit.

A capacitor is similar to a rechargable battery in the way it works. The difference is that a capacitor can only hold a small fraction of the energy that a battery can. (Except for really big capacitors like the ones found in old TVs. These can hold a lot of charge. Even if a TV has been disconnected from the wall for a long time, these capacitors can still make lots of sparks and hurt people.) As with a rechargable battery, it takes a while for the capacitor to charge. So if we have a 12 volt supply and start charging the capacitor, it will start with 0 volts and go from 0 volts to 12 volts. Below is a graph of the voltage in the capacitor while it is charging.

.

.

The same idea is true when the capacitor is discharging. If the capacitor has been charged to 12 volts and then we connect both legs to ground, the capacitor will start discharging but it will take some time for the voltage to go to 0 volts. Below is a graph of what the voltage is in the capacitor while it is discharging.

.

We can control the speed of the capacitor's charging and discharging using resistors.

Capacitors are given values based on how much electricity they can store. Larger capacitors can store more energy and take more time to charge and discharge. The values are given in Farads but a Farad is a really large unit of measure for common capacitors. Common capacitors use measurements of pf and uf. Pf means picofarad and uf means microfarad. A picofarad is 0.000000000001 Farads. So a 33pf capacitor has a value of 33 picofarads or 0.000000000033 Farads. A microfarad is 0.000001 Farads. So a 10uf capacitor is 0.00001 Farads and a 220uF capacitor is 0.000220 Farads. If you do any calculations with formulas using the value of the capacitor you have to use the Farad value rather than the picofarad or microfarad value.

Capacitors are also rated by the maximum voltage they can take. This value is always written on the larger can shaped capacitors. For example, the 220uF capacitor in this kit has a maximum voltage rating of 25 volts. If you apply more than 25 volts to them they will die.

The 555 Timer

Creating a Pulse

The 555 is made out of simple transistors that are about the same as on / off switches. They do not have any sense of time. When you apply a voltage they turn on and when you take away the voltage they turn off. So by itself, the 555 can not create a pulse. The way the pulse is created is by using some components in a circuit attached to the 555 (see the circuit on the next page). This circuit is made of a capacitor and a resistor. We can flip a switch and start charging the capacitor. The resistor is used to control how fast the capacitor charges. The bigger the resistance, the longer it takes to charge the capacitor. The voltage in the capacitor can then be used as an input to another switch. Since the voltage starts at 0, nothing happens to the second switch. But eventually the capacitor will charge up to some point where the second switch comes on.

The way the 555 timer works is that when you flip the first switch, the Output pin goes to Vcc (the positive power supply voltage) and starts charging the capacitor. When the capacitor voltage gets to 2/3 Vcc (that is Vcc * 2/3) the second switch turns on which makes the output go to 0 volts.

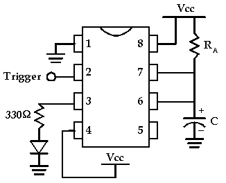
The pinout for the 555 timer is shown below

Deep Details

Pin 2 (Trigger) is the 'on' switch for the pulse. The line over the word Trigger tells us that the voltage levels are the opposite of what you would normally expect. To turn the switch on you apply 0 volts to pin 2. The technical term for this opposite behavior is 'Active Low'. It is common to see this 'Active Low' behavior for IC inputs because of the inverting nature of transistor circuits like we saw in the LED and Transistor Tutorial.

Pin 6 is the off switch for the pulse. We connect the positive side of the capacitor to this pin and the negative side of the capacitor to ground. When Pin 2 (Trigger) is at Vcc, the 555 holds Pin 7 at 0 volts (Note the inverted voltage). When Pin 2 goes to 0 volts, the 555 stops holding Pin 7 at 0 volts. Then the capacitor starts charging. The capacitor is charged through a resistor connected to Vcc. The current starts flowing into the capacitor, and the voltage in the capacitor starts to increase.

Pin 3 is the output (where the actual pulse comes out). The voltage on this pin starts at 0 volts. When 0 volts is applied to the trigger (Pin 2), the 555 puts out Vcc on Pin 3 and holds it at Vcc until Pin 6 reaches 2/3 of Vcc (that is Vcc * 2/3). Then the 555 pulls the voltage at Pin 3 to ground and you have created a pulse. (Again notice the inverting action.) The voltage on Pin 7 is also pulled to ground, connecting the capacitor to ground and discharging it.

Seeing the pulse

To see the pulse we will use an LED connected to the 555 output, Pin 3. When the output is 0 volts the LED will be off. When the output is Vcc the LED will be on.


Building the Circuit

Place the 555 across the middle line of the breadboard so that 4 pins are on one side and 4 pins are on the other side. (You may need to bend the pins in a little so they will go in the holes.) Leave the power disconnected until you finish building the circuit. The diagram above shows how the pins on the 555 are numbered. You can find pin 1 by looking for the half circle in the end of the chip. Sometimes instead of a half circle, there will be a dot or shallow hole by pin 1.

Before you start building the circuit, use jumper wires to connect the red and blue power rows to the red and blue power rows on the other side of the board. Then you will be able to easily reach Vcc and Ground lines from both sides of the board. (If the wires are too short, use two wires joined together in a row of holes for the positive power (Vcc) and two wires joined together in a different row of holes for the ground.)

Connect Pin 1 to ground.
Connect Pin 8 to Vcc.
Connect Pin 4 to Vcc.
Connect the positive leg of the LED to a 330 ohm resistor and connect the negative end of the LED to ground. Connect the other leg of the 330 ohm resistor to the output, Pin 3.
Connect Pin 7 to Vcc with a 10k resistor (RA = 10K).
Connect Pin 7 to Pin 6 with a jumper wire.
Connect Pin 6 to the positive leg of the 220uF Capacitor (C = 220uF). (You will need to bend the positive (long leg) up and out some so that the negative leg can go in the breadboard.
Connect the negative leg of the capacitor to ground.
Connect a wire to Pin 2 to use as the trigger. Start with Pin 2 connected to Vcc.

Now connect the power. The LED will come on and stay on for about 2 seconds. Remove the wire connected to Pin 2 from Vcc. You should be able to trigger the 555 again by touching the wire connected to pin 2 with your finger or by connecting it to ground and removing it. (It should be about a 2 second pulse.)

Making it Oscillate

Next we will make the LED flash continually without having to trigger it. We will hook up the 555 so that it triggers itself. The way this works is that we add in a resistor between the capacitor and the discharge pin, Pin 7. Now, the capacitor will charge up (through RA and RB) and when it reaches 2/3 Vcc, Pin 3 and Pin 7 will go to ground. But the capacitor can not discharge immediately because of RB. It takes some time for the charge to drain through RB. The more resistance RB has, the longer it takes to discharge. The time it takes to discharge the capacitor will be the time the LED is off.

To trigger the 555 again, we connect Pin 6 to the trigger (Pin 2). As the capacitor is discharging, the voltage in the capacitor gets lower and lower. When it gets down to 1/3 Vcc this triggers Pin 2 causing Pin 3 to go to Vcc and the LED to come on. The 555 disconnects Pin 7 from ground, and the capacitor starts to charge up again through RA and RB.

To build this circuit from the previous circuit, do the following.

Disconnect the power.
Take out the jumper wire between Pin 6 and Pin 7 and replace it with a 2.2k resistor (RB = 2.2K).
Use the jumper wire at pin 2 to connect Pin 2 to Pin 6.

Now reconnect the power and the LED should flash forever (as long as you pay your electricity bill).

Experiment with different resistor values of RA and RB to see how it changes the length of time that the LED flashes. (You are changing the amount of time that it takes for the Capacitor to charge and discharge.)


Formulas

These are the formulas we use for the 555 to control the length of the pulses.

t1 = charge time (how long the LED is on) = 0.693 * (RA + RB) * C
t2 = discharge time (how long the LED is off) = 0.693 * RB * C
T = period = t1 + t2 = 0.693 * (RA + 2*RB) * C
Frequency = 1 / T = 1.44 / ((RA + 2 * RB) * C)

t1 and t2 are the time in seconds. C is the capacitor value in Farads. 220uF = 0.000220 F. So for our circuit we have:

t1 = 0.693 * (10000 + 2200) * 0.000220 = 1.86 seconds

t2 = 0.693 * 2200 * 0.000220 = 0.335 seconds

T = 1.86 + 0.335 = 2.195 seconds

Frequency = 0.456 (cycles per second)





Home  Products  Tutorials   Schematics   Robotics   Resources   Radio Stuff    Career    Download   Link Exchange

HTML Sitemap   XML Sitemap


Terms & Conditions  Privacy Policy and Disclaimer