Home   |  Schematics |  Products |  Tutorials  |  Datasheets  |  Robotics   |   Download    |   Link Exchange


Direct Current
Alternating Current
Digital Electronics
PC Architecture
Electronics Dictionary
Resources

Experiment
Calculator/Converters
Radio
Newsletter
Associations and Societies
Component Manufacturers

 

Electronics Symentics


Microcontroller Intermediate Kit - Second MC Project - Making More LEDs Blink

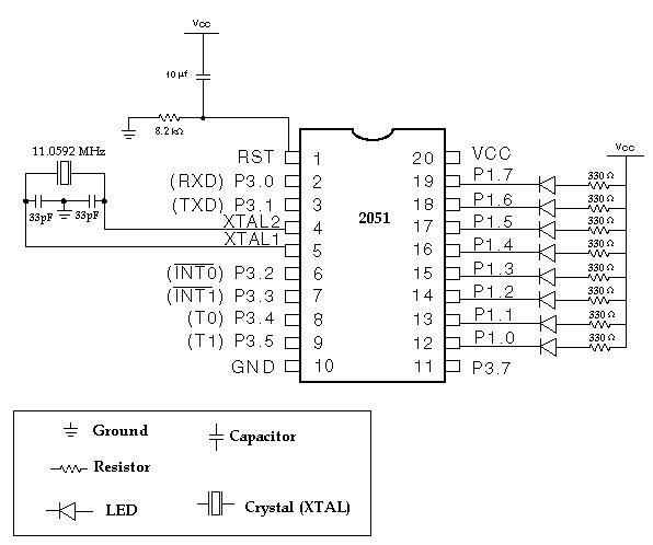
Step 1.) The first step is to build the circuit. At this point you should be familiar with the parts used. You can either put these parts together using a breadboard or wirewrap. This design is intended for use with an Atmel 2051. Most microcontrollers (such as a normal 8051 or 8751) can not handle the current required to turn an LED on and off but the ATMEL part has this capability.

Vcc = 5V and Gnd = 0V

The basic process of compiling an assembly language program and loading it into the microcontroller was covered in the first microcontroller project.In this project the program is similar. Instead of just making an LED blink, we are using all of Port 1 on the 2051 to make an 8 bit counter. The program for this is ledproj2.asm. It is included on the CD that comes with the Microcontroller Beginner Kit. Once you have compiled the program, download it to the 2051. Make sure the power is off for the circuit you have built. Then move the microcontroller to the circuit.

Turn on the power to the circuit. The LEDs should all come on. Then they should start blinking on and off as the counter counts up from 0 to 255 (all on to all off).





Home  Products  Tutorials   Schematics   Robotics   Resources   Radio Stuff    Career    Download   Link Exchange

HTML Sitemap   XML Sitemap


Terms & Conditions  Privacy Policy and Disclaimer