Electronics Symentics
Circuits and Diagrams
Infrared based schematics
40khz IR Tester
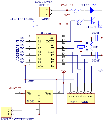
Infrared transmitter for locomotives
40KHz light receiver (PDF)
IR detector
40KHz TV-VCR repeater (PDF)
IR Link
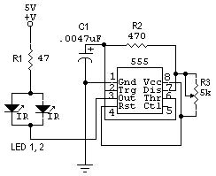
555 timer 40khz IR Oscillator
IR remote control extender
An Ambient-Light-Ignoring Infrared
IR Remote Control Extender Circuit (Mark 2)
Build an Infrared night scope
IR Remote Control Extender Circuit (Mark 3)
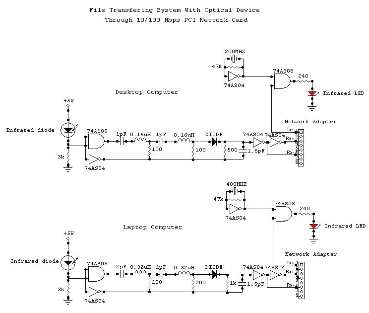
Computerized Infrared Remote
IR remote control tester
Digibox interface
iRDA transceiver to extend IR port
Fire-Stick infrared remote control
Micro based PIR to IR remote converter
General purpose IR receiver
Implementing Infrared Object Detection
Improved infrared receiver for PC
Pyroelectric Infrared Sensor
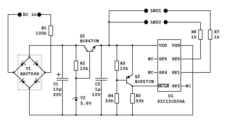
Infra Red Switch
Serial port controller infrared transmitter
Infrared body heat detector
Simple infra-red detector
Infrared circuits for remote control
Simple infrared remote control
Infrared gate for door
Simple IR transmitter circuit
Infrared level detector
Simple on-off IR photoswitch
Infrared link for 10-BASE-T
Stereo IR audio receiver
Infrared switch using any infrared remote control
Wireless IR headphone receiver
Infrared Transmitter and Receiver
Wireless IR headphone transmitter
Home Products Tutorials Schematics Robotics Resources Radio Stuff Career Download Link Exchange HTML Sitemap XML Sitemap Terms & Conditions Privacy Policy and Disclaimer
Terms & Conditions Privacy Policy and Disclaimer