Home   |  Schematics |  Products |  Tutorials  |  Datasheets  |  Robotics   |   Download    |   Link Exchange


Direct Current
Alternating Current
Digital Electronics
PC Architecture
Electronics Dictionary
Resources

Experiment
Calculator/Converters
Radio
Newsletter
Associations and Societies
Component Manufacturers

Electronics Symentics


 
 
 

Sound cancellation

PARTS AND MATERIALS

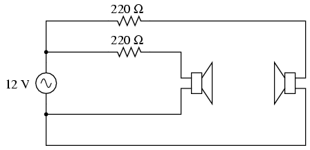
  • Low-voltage AC power supply

  • Two audio speakers

  • Two 220 Ω resistors

Large, low-frequency ("woofer") speakers are most appropriate for this experiment. For optimum results, the speakers should be identical and mounted in enclosures.

 

CROSS-REFERENCES

Lessons In Electric Circuits, Volume 2, chapter 1: "Basic AC Theory"

 

LEARNING OBJECTIVES

  • How phase shift can cause waves to either reinforce or interfere with each other

  • The importance of speaker "phasing" in stereo systems

SCHEMATIC DIAGRAM



 

ILLUSTRATION



 

INSTRUCTIONS

Connect each speaker to the low-voltage AC power supply through a 220 Ω resistor. The resistor limits the amount of power delivered to each speaker by the power supply. A low-pitched, 60-Hertz tone should be heard from the speakers. If the tone sounds too loud, use higher-value resistors.

With both speakers connected and producing sound, position them so that they are only a foot or two away, facing toward each other. Listen to the volume of the 60-Hertz tone. Now, reverse the connections (the "polarity") of just one of the speakers and note the volume again. Try switching the polarity of one speaker back and forth from original to reversed, comparing volume levels each way. What do you notice?

By reversing wire connections to one speaker, you are reversing the phase of that speaker's sound wave in reference to the other speaker. In one mode, the sound waves will reinforce one another for a strong volume. In the other mode, the sound waves will destructively interfere, resulting in diminished volume. This phenomenon is common to all wave events: sound waves, electrical signals (voltage "waves"), waves in water, and even light waves!

Multiple speakers in a stereo sound system must be properly "phased" so that their respective sound waves don't cancel each other, leaving less total sound level for the listener(s) to hear. So, even in an AC system where there really is no such thing as constant "polarity," the sequence of wire connections may make a significant difference in system performance.

This principle of volume reduction by destructive interference may be exploited for noise cancellation. Such systems sample the waveform of the ambient noise, then produce an identical sound signal 180o out of phase with the noise. When the two sound signals meet, they cancel each other out, ideally eliminating all the noise. As one might guess, this is much easier accomplished with noise sources of steady frequency and amplitude. Cancellation of random, broad-spectrum noise is very difficult, as some sort of signal-processing circuit must sample the noise and generate precisely the right amount of cancellation sound at just the right time in order to be effective.

 

 




Home  Products  Tutorials   Schematics   Robotics   Resources   Radio Stuff    Career    Download   Link Exchange

HTML Sitemap   XML Sitemap


Terms & Conditions  Privacy Policy and Disclaimer