Home   |  Schematics |  Products |  Tutorials  |  Datasheets  |  Robotics   |   Download    |   Link Exchange


Direct Current
Alternating Current
Digital Electronics
PC Architecture
Electronics Dictionary
Resources

Experiment
Calculator/Converters
Radio
Newsletter
Associations and Societies
Component Manufacturers

Electronics Symentics


 
 
 

7-segment display

PARTS AND MATERIALS

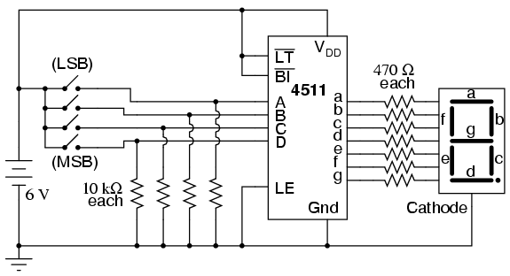
  • 4511 BCD-to-7seg latch/decoder/driver (Radio Shack catalog # 900-4437)

  • Common-cathode 7-segment LED display (Radio Shack catalog # 276-075)

  • Eight-position DIP switch (Radio Shack catalog # 275-1301)

  • Four 10 kΩ resistors

  • Seven 470 Ω resistors

  • One 6 volt battery

Caution! The 4511 IC is CMOS, and therefore sensitive to static electricity!

 

CROSS-REFERENCES

Lessons In Electric Circuits, Volume 4, chapter 9: "Combinational Logic Functions"

 

LEARNING OBJECTIVES

  • How to use the 4511 7-segment decoder/display driver IC

  • Gain familiarity with the BCD code

  • How to use 7-segment LED assemblies to create decimal digit displays

  • How to identify and use both "active-low" and "active-high" logic inputs

 

SCHEMATIC DIAGRAM



 

ILLUSTRATION



 

INSTRUCTIONS

This experiment is more of an introduction to the 4511 decoder/display driver IC than it is a lesson in how to "build up" a digital function from lower-level components. Since 7-segment displays are very common components of digital devices, it is good to be familiar with the "driving" circuits behind them, and the 4511 is a good example of a typical driver IC.

Its operating principle is to input a four-bit BCD (Binary-Coded Decimal) value, and energize the proper output lines to form the corresponding decimal digit on the 7-segment LED display. The BCD inputs are designated A, B, C, and D in order from least-significant to most-significant. Outputs are labeled a, b, c, d, e, f, and g, each letter corresponding to a standardized segment designation for 7-segment displays. Of course, since each LED segment requires its own dropping resistor, we must use seven 470 Ω resistors placed in series between the 4511's output terminals and the corresponding terminals of the display unit.

Most 7-segment displays also provide for a decimal point (sometimes two!), a separate LED and terminal designated for its operation. All LEDs inside the display unit are made common to each other on one side, either cathode or anode. The 4511 display driver IC requires a common-cathode 7-segment display unit, and so that is what is used here.

After building the circuit and applying power, operate the four switches in a binary counting sequence (0000 to 1111), noting the 7-segment display. A 0000 input should result in a decimal "0" display, a 0001 input should result in a decimal "1" display, and so on through 1001 (decimal "9"). What happens for the binary numbers 1010 (10) through 1111 (15)? Read the datasheet on the 4511 IC and see what the manufacturer specifies for operation above an input value of 9. In the BCD code, there is no real meaning for 1010, 1011, 1100, 1101, 1110, or 1111. These are binary values beyond the range of a single decimal digit, and so have no function in a BCD system. The 4511 IC is built to recognize this, and output (or not output!) accordingly.

Three inputs on the 4511 chip have been permanently connected to either Vdd or ground: the "Lamp Test," "Blanking Input," and "Latch Enable." To learn what these inputs do, remove the short jumpers connecting them to either power supply rail (one at a time!), and replace the short jumper with a longer one that can reach the other power supply rail. For example, remove the short jumper connecting the "Latch Enable" input (pin #5) to ground, and replace it with a long jumper wire that can reach all the way to the Vdd power supply rail. Experiment with making this input "high" and "low," observing the results on the 7-segment display as you alter the BCD code with the four input switches. After you've learned what the input's function is, connect it to the power supply rail enabling normal operation, and proceed to experiment with the next input (either "Lamp Test" or "Blanking Input").

Once again, the manufacturer's datasheet will be informative as to the purpose of each of these three inputs. Note that the "Lamp Test" (LT) and "Blanking Input" (BI) input labels are written with boolean complementation bars over the abbreviations. Bar symbols designate these inputs as active-low, meaning that you must make each one "low" in order to invoke its particular function. Making an active-low input "high" places that particular input into a "passive" state where its function will not be invoked. Conversely, the "Latch Enable" (LE) input has no complementation bar written over its abbreviation, and correspondingly it is shown connected to ground ("low") in the schematic so as to not invoke that function. The "Latch Enable" input is an active-high input, which means it must be made "high" (connected to Vdd) in order to invoke its function.

 

 




Home  Products  Tutorials   Schematics   Robotics   Resources   Radio Stuff    Career    Download   Link Exchange

HTML Sitemap   XML Sitemap


Terms & Conditions  Privacy Policy and Disclaimer