LED sequencer
PARTS AND MATERIALS
-
4017 decade counter/divider (Radio Shack
catalog # 276-2417)
-
555 timer IC (Radio Shack catalog #
276-1723)
-
Ten-segment bargraph LED (Radio Shack
catalog # 276-081)
-
One SPST switch
-
One 6 volt battery
-
10 kΩ resistor
-
1 MΩ resistor
-
0.1 �F capacitor (Radio Shack catalog #
272-135 or equivalent)
-
Coupling capacitor, 0.047 to 0.001 �F
-
Ten 470 Ω resistors
-
Audio detector with headphones
Caution! The 4017 IC is CMOS, and
therefore sensitive to static electricity!
Any single-pole, single-throw switch is
adequate. A household light switch will work fine, and is
readily available at any hardware store.
The audio detector will be used to assess
signal frequency. If you have access to an oscilloscope, the
audio detector is unnecessary.
CROSS-REFERENCES
Lessons In Electric Circuits, Volume
4, chapter 3: "Logic Gates"
Lessons In Electric Circuits, Volume
4, chapter 4: "Switches"
Lessons In Electric Circuits, Volume
4, chapter 11: "Counters"
LEARNING OBJECTIVES
-
Use of a 555 timer circuit to produce
"clock" pulses (astable multivibrator)
-
Use of a 4017 decade counter/divider
circuit to produce a sequence of pulses
-
Use of a 4017 decade counter/divider
circuit for frequency division
-
Using a frequency divider and timepiece
(watch) to measure frequency
-
Purpose of a "pulldown" resistor
-
Learn the effects of switch contact
"bounce" on digital circuits
-
Use of a 555 timer circuit to "debounce" a
mechanical switch (monostable multivibrator)
SCHEMATIC DIAGRAM
ILLUSTRATION
INSTRUCTIONS
The model 4017 integrated circuit is a CMOS
counter with ten output terminals. One of these ten
terminals will be in a "high" state at any given time, with
all others being "low," giving a "one-of-ten" output
sequence. If low-to-high voltage pulses are applied to the
"clock" (Clk) terminal of the 4017, it will increment its
count, forcing the next output into a "high" state.
With a 555 timer connected as an astable
multivibrator (oscillator) of low frequency, the 4017 will
cycle through its ten-count sequence, lighting up each LED,
one at a time, and "recycling" back to the first LED. The
result is a visually pleasing sequence of flashing lights.
Feel free to experiment with resistor and capacitor values
on the 555 timer to create different flash rates.
Try disconnecting the jumper wire leading
from the 4017's "Clock" terminal (pin #14) to the 555's
"Output" terminal (pin #3) where it connects to the 555
timer chip, and hold its end in your hand. If there is
sufficient 60 Hz power-line "noise" around you, the 4017
will detect it as a fast clock signal, causing the LEDs to
blink very rapidly.
Two terminals on the 4017 chip, "Reset" and
"Clock Enable," are maintained in a "low" state by means of
a connection to the negative side of the battery (ground).
This is necessary if the chip is to count freely. If the
"Reset" terminal is made "high," the 4017's output will be
reset back to 0 (pin #3 "high," all other output pins
"low"). If the "Clock Enable" is made "high," the chip will
stop responding to the clock signal and pause in its
counting sequence.
If the 4017's "Reset" terminal is connected
to one of its ten output terminals, its counting sequence
will be cut short, or truncated. You may experiment
with this by disconnecting the "Reset" terminal from ground,
then connecting a long jumper wire to the "Reset" terminal
for easy connection to the outputs at the ten-segment LED
bargraph. Notice how many (or how few) LEDs light up with
the "Reset" connected to any one of the outputs:
Counters such as the 4017 may be used as
digital frequency dividers, to take a clock signal and
produce a pulse occurring at some integer factor of the
clock frequency. For example, if the clock signal from the
555 timer is 200 Hz, and the 4017 is configured for a
full-count sequence (the "Reset" terminal connected to
ground, giving a full, ten-step count), a signal with a
period ten times as long (20 Hz) will be present at any of
the 4017's output terminals. In other words, each output
terminal will cycle once for every ten cycles
of the clock signal: a frequency ten times as slow.
To experiment with this principle, connect
your audio detector between output 0 (pin #3) of the 4017
and ground, through a very small capacitor (0.047 �F to
0.001 �F). The capacitor is used for "coupling" AC signals
only, to that you may audibly detect pulses without placing
a DC (resistive) load on the counter chip output. With the
4017 "Reset" terminal grounded, you will have a full-count
sequence, and you will hear a "click" in the headphones
every time the "0" LED lights up, corresponding to 1/10 of
the 555's actual output frequency:
In fact, knowing this mathematical
relationship between clicks heard in the headphone and the
clock frequency allows us to measure the clock frequency to
a fair degree of precision. Using a stopwatch or other
timepiece, count the number of clicks heard in one full
minute while connected to the 4017's "0" output. Using a 1
MΩ resistor and 0.1 �F capacitor in the 555 timing circuit,
and a power supply voltage of 13 volts (instead of 6), I
counted 79 clicks in one minute from my circuit. Your
circuit may produce slightly different results. Multiply the
number of pulses counted at the "0" output by 10 to obtain
the number of cycles produced by the 555 timer during that
same time (my circuit: 79 x 10 = 790 cycles). Divide this
number by 60 to obtain the number of timer cycles elapsed in
each second (my circuit: 790/60 = 13.17). This final figure
is the clock frequency in Hz.
Now, leaving one test probe of the audio
detector connected to ground, take the other test probe (the
one with the coupling capacitor connected in series) and
connect it to pin #3 of the 555 timer. The buzzing you hear
is the undivided clock frequency:
By connecting the 4017's "Reset" terminal to
one of the output terminals, a truncated sequence will
result. If we are using the 4017 as a frequency divider,
this means the output frequency will be a different factor
of the clock frequency: 1/9, 1/8, 1/7, 1/6, 1/5, 1/4, 1/3,
or 1/2, depending on which output terminal we connect the
"Reset" jumper wire to. Re-connect the audio detector test
probe to output "0" of the 4017 (pin #3), and connect the
"Reset" terminal jumper to the sixth LED from the left on
the bargraph. This should produce a 1/5 frequency division
ratio:
Counting the number of clicks heard in one
minute again, you should obtain a number approximately twice
as large as what was counted with the 4017 configured for a
1/10 ratio, because 1/5 is twice as large a ratio as 1/10.
If you do not obtain a count that is exactly twice what you
obtained before, it is because of error inherent to the
method of counting cycles: coordinating your sense of
hearing with the display of a stopwatch or other
time-keeping device.
Try replacing the 1 MΩ timing resistor in
the 555 circuit with one of greatly lesser value, such as 10
kΩ. This will increase the clock frequency driving the 4017
chip. Use the audio detector to listen to the divided
frequency at pin #3 of the 4017, noting the different tones
produced as you move the "Reset" jumper wire to different
outputs, creating different frequency division ratios. See
if you can produce octaves by dividing the original
frequency by 2, then by 4, and then by 8 (each descending
octave represents one-half the previous frequency). Octaves
are readily distinguished from other divided frequencies by
their similar pitches to the original tone.
A final lesson that may be learned from this
circuit is that of switch contact "bounce." For this, you
will need a switch to provide clock signals to the 4017
chip, instead of the 555 timer. Re-connect the "Reset"
jumper wire to ground to enable a full ten-step count
sequence, and disconnect the 555's output from the 4017's
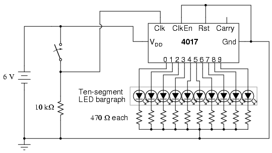
"Clock" input terminal. Connect a switch in series with a 10
kΩ pulldown resistor, and connect this assembly to
the 4017 "Clock" input as shown:

The purpose of a "pulldown" resistor is to
provide a definite "low" logic state when the switch contact
opens. Without this resistor in place, the 4017's "Clock"
input wire would be floating whenever the switch
contact was opened, leaving it susceptible to interference
from stray static voltages or electrical "noise," either one
capable of making the 4017 count randomly. With the pulldown
resistor in place, the 4017's "Clock" input will have a
definite, albeit resistive, connection to ground, providing
a stable "low" logic state that precludes any interference
from static electricity or "noise" coupled from nearby AC
circuit wiring.
Actuate the switch on and off, noting the
action of the LEDs. With each off-to-on switch transition,
the 4017 should increment once in its count. However, you
may notice some strange behavior: sometimes, the LED
sequence will "skip" one or even several steps with a single
switch closure. Why is this? It is due to very rapid,
mechanical "bouncing" of the switch contacts. When two
metallic contacts are brought together rapidly as does
happen inside most switches, there will be an elastic
collision. This collision results in the contacts making and
breaking very rapidly as they "bounce" off one another.
Normally, this "bouncing" is much to rapid for you to see
its effects, but in a digital circuit such as this where the
counter chip is able to respond to very quick clock pulses,
these "bounces" are interpreted as distinct clock signals,
and the count incremented accordingly.
One way to combat this problem is to use a
timing circuit to produce a single pulse for any number of
input pulse signals received within a short amount of time.
The circuit is called a monostable multivibrator, and
any technique eliminating the false pulses caused by switch
contact "bounce" is called debouncing.
The 555 timer circuit is capable of
functioning as a debouncer, if the "Trigger" input is
connected to the switch as such:
Please note that since we are using the 555
once again to provide a clock signal to the 4017, we must
re-connect pin #3 of the 555 chip to pin #14 of the 4017
chip! Also, if you have altered the values of the resistor
or capacitor in the 555 timer circuit, you should return to
the original 1 MΩ and 0.1 �F components.
Actuate the switch again and note the
counting behavior of the 4017. There should be no more
"skipped" counts as there were before, because the 555 timer
outputs a single, crisp pulse for every on-to-off
actuation (notice the inversion of operation here!) of the
switch. It is important that the timing of the 555 circuit
be appropriate: the time to charge the capacitor should be
longer than the "settling" period of the switch (the time
required for the contacts to stop bouncing), but not so long
that the timer would "miss" a rapid sequence of switch
actuations, if they were to occur. |