|
We can construct simply logic functions for our hypothetical
lamp circuit, using multiple contacts, and document these circuits quite
easily and understandably with additional rungs to our original "ladder." If
we use standard binary notation for the status of the switches and lamp (0
for unactuated or de-energized; 1 for actuated or energized), a truth table
can be made to show how the logic works:
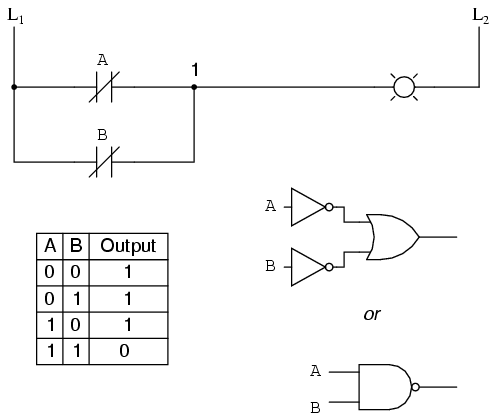
 Now, the lamp will come on if either contact A
or contact B is actuated, because all it takes for the lamp to be energized
is to have at least one path for current from wire L1 to wire 1.
What we have is a simple OR logic function, implemented with nothing more
than contacts and a lamp.
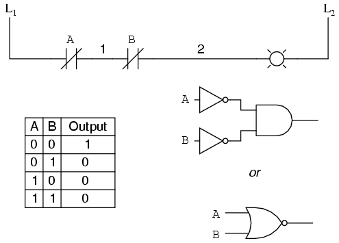
We can mimic the AND logic function by wiring the two contacts in series
instead of parallel:
 Now, the lamp energizes only if contact A
and contact B are simultaneously actuated. A path exists for current
from wire L1 to the lamp (wire 2) if and only if both
switch contacts are closed.
The logical inversion, or NOT, function can be performed on a contact
input simply by using a normally-closed contact instead of a normally-open
contact:
 Now, the lamp energizes if the contact is
not actuated, and de-energizes when the contact is actuated.
If we take our OR function and invert each "input" through the use of
normally-closed contacts, we will end up with a NAND function. In a special
branch of mathematics known as Boolean algebra, this effect of gate
function identity changing with the inversion of input signals is described
by DeMorgan's Theorem, a subject to be explored in more detail in a
later chapter.
 The lamp will be energized if either
contact is unactuated. It will go out only if both contacts are
actuated simultaneously.
Likewise, if we take our AND function and invert each "input" through the
use of normally-closed contacts, we will end up with a NOR function:
 A pattern quickly reveals itself when ladder
circuits are compared with their logic gate counterparts:
Parallel contacts are equivalent to an OR gate.
Series contacts are equivalent to an AND gate.
Normally-closed contacts are equivalent to a NOT gate (inverter).
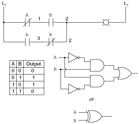
We can build combinational logic functions by grouping contacts in
series-parallel arrangements, as well. In the following example, we have an
Exclusive-OR function built from a combination of AND, OR, and inverter
(NOT) gates:
 The top rung (NC contact A in series with NO
contact B) is the equivalent of the top NOT/AND gate combination. The bottom
rung (NO contact A in series with NC contact B) is the equivalent of the
bottom NOT/AND gate combination. The parallel connection between the two
rungs at wire number 2 forms the equivalent of the OR gate, in allowing
either rung 1 or rung 2 to energize the lamp.
To make the Exclusive-OR function, we had to use two contacts per input:
one for direct input and the other for "inverted" input. The two "A"
contacts are physically actuated by the same mechanism, as are the two "B"
contacts. The common association between contacts is denoted by the label of
the contact. There is no limit to how many contacts per switch can be
represented in a ladder diagram, as each new contact on any switch or relay
(either normally-open or normally-closed) used in the diagram is simply
marked with the same label.
Sometimes, multiple contacts on a single switch (or relay) are designated
by a compound labels, such as "A-1" and "A-2" instead of two "A" labels.
This may be especially useful if you want to specifically designate which
set of contacts on each switch or relay is being used for which part of a
circuit. For simplicity's sake, I'll refrain from such elaborate labeling in
this lesson. If you see a common label for multiple contacts, you know those
contacts are all actuated by the same mechanism.
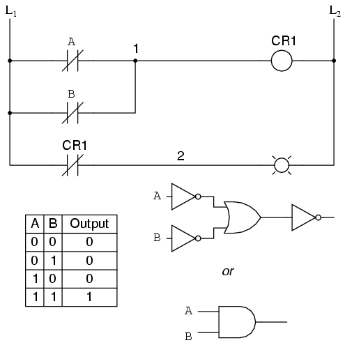
If we wish to invert the output of any switch-generated logic
function, we must use a relay with a normally-closed contact. For instance,
if we want to energize a load based on the inverse, or NOT, of a
normally-open contact, we could do this:
 We will call the relay, "control relay 1," or
CR1. When the coil of CR1 (symbolized with the pair of
parentheses on the first rung) is energized, the contact on the second rung
opens, thus de-energizing the lamp. From switch A to the coil of CR1,
the logic function is noninverted. The normally-closed contact actuated by
relay coil CR1 provides a logical inverter function to drive the
lamp opposite that of the switch's actuation status.
Applying this inversion strategy to one of our inverted-input functions
created earlier, such as the OR-to-NAND, we can invert the output with a
relay to create a noninverted function:
 From the switches to the coil of CR1,
the logical function is that of a NAND gate. CR1's
normally-closed contact provides one final inversion to turn the NAND
function into an AND function.
REVIEW:
Parallel contacts are logically equivalent to an OR gate.
Series contacts are logically equivalent to an AND gate.
Normally closed (N.C.) contacts are logically equivalent to a NOT
gate.
A relay must be used to invert the output of a logic gate
function, while simple normally-closed switch contacts are sufficient to
represent inverted gate inputs.
|