A practical application of switch and relay
logic is in control systems where several process conditions have to be met
before a piece of equipment is allowed to start. A good example of this is
burner control for large combustion furnaces. In order for the burners in a
large furnace to be started safely, the control system requests "permission"
from several process switches, including high and low fuel pressure, air fan
flow check, exhaust stack damper position, access door position, etc. Each
process condition is called a permissive, and each permissive switch
contact is wired in series, so that if any one of them detects an unsafe
condition, the circuit will be opened:
 If all permissive conditions are met, CR1
will energize and the green lamp will be lit. In real life, more than just a
green lamp would be energized: usually a control relay or fuel valve
solenoid would be placed in that rung of the circuit to be energized when
all the permissive contacts were "good:" that is, all closed. If any one of
the permissive conditions are not met, the series string of switch contacts
will be broken, CR2 will de-energize, and the red lamp will
light.
Note that the high fuel pressure contact is normally-closed. This is
because we want the switch contact to open if the fuel pressure gets too
high. Since the "normal" condition of any pressure switch is when zero (low)
pressure is being applied to it, and we want this switch to open with
excessive (high) pressure, we must choose a switch that is closed in its
normal state.
Another practical application of relay logic is in control systems where
we want to ensure two incompatible events cannot occur at the same time. An
example of this is in reversible motor control, where two motor contactors
are wired to switch polarity (or phase sequence) to an electric motor, and
we don't want the forward and reverse contactors energized simultaneously:
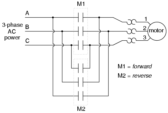
 When contactor M1 is energized, the
3 phases (A, B, and C) are connected directly to terminals 1, 2, and 3 of
the motor, respectively. However, when contactor M2 is energized,
phases A and B are reversed, A going to motor terminal 2 and B going to
motor terminal 1. This reversal of phase wires results in the motor spinning
the opposite direction. Let's examine the control circuit for these two
contactors:
 Take note of the normally-closed "OL" contact,
which is the thermal overload contact activated by the "heater" elements
wired in series with each phase of the AC motor. If the heaters get too hot,
the contact will change from its normal (closed) state to being open, which
will prevent either contactor from energizing.
This control system will work fine, so long as no one pushes both buttons
at the same time. If someone were to do that, phases A and B would be
short-circuited together by virtue of the fact that contactor M1
sends phases A and B straight to the motor and contactor M2
reverses them; phase A would be shorted to phase B and visa-versa.
Obviously, this is a bad control system design!
To prevent this occurrence from happening, we can design the circuit so
that the energization of one contactor prevents the energization of the
other. This is called interlocking, and it is accomplished through
the use of auxiliary contacts on each contactor, as such:
 Now, when M1 is energized, the
normally-closed auxiliary contact on the second rung will be open, thus
preventing M2 from being energized, even if the "Reverse"
pushbutton is actuated. Likewise, M1's energization is prevented
when M2 is energized. Note, as well, how additional wire numbers
(4 and 5) were added to reflect the wiring changes.
It should be noted that this is not the only way to interlock contactors
to prevent a short-circuit condition. Some contactors come equipped with the
option of a mechanical interlock: a lever joining the armatures of
two contactors together so that they are physically prevented from
simultaneous closure. For additional safety, electrical interlocks may still
be used, and due to the simplicity of the circuit there is no good reason
not to employ them in addition to mechanical interlocks.
REVIEW:
Switch contacts installed in a rung of ladder logic designed to
interrupt a circuit if certain physical conditions are not met are called
permissive contacts, because the system requires permission from
these inputs to activate.
Switch contacts designed to prevent a control system from taking two
incompatible actions at once (such as powering an electric motor forward
and backward simultaneously) are called interlocks.
|