The interlock contacts installed in the
previous section's motor control circuit work fine, but the motor will run
only as long as each pushbutton switch is held down. If we wanted to keep
the motor running even after the operator takes his or her hand off the
control switch(es), we could change the circuit in a couple of different
ways: we could replace the pushbutton switches with toggle switches, or we
could add some more relay logic to "latch" the control circuit with a
single, momentary actuation of either switch. Let's see how the second
approach is implemented, since it is commonly used in industry:
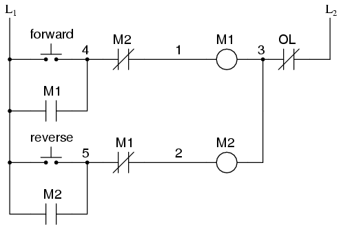
 When the "Forward" pushbutton is actuated, M1
will energize, closing the normally-open auxiliary contact in parallel with
that switch. When the pushbutton is released, the closed M1
auxiliary contact will maintain current to the coil of M1, thus
latching the "Forward" circuit in the "on" state. The same sort of thing
will happen when the "Reverse" pushbutton is pressed. These parallel
auxiliary contacts are sometimes referred to as seal-in contacts, the
word "seal" meaning essentially the same thing as the word latch.
However, this creates a new problem: how to stop the motor! As the
circuit exists right now, the motor will run either forward or backward once
the corresponding pushbutton switch is pressed, and will continue to run as
long as there is power. To stop either circuit (forward or backward), we
require some means for the operator to interrupt power to the motor
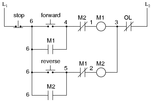
contactors. We'll call this new switch, Stop:
 Now, if either forward or reverse circuits are
latched, they may be "unlatched" by momentarily pressing the "Stop"
pushbutton, which will open either forward or reverse circuit, de-energizing
the energized contactor, and returning the seal-in contact to its normal
(open) state. The "Stop" switch, having normally-closed contacts, will
conduct power to either forward or reverse circuits when released.
So far, so good. Let's consider another practical aspect of our motor
control scheme before we quit adding to it. If our hypothetical motor turned
a mechanical load with a lot of momentum, such as a large air fan, the motor
might continue to coast for a substantial amount of time after the stop
button had been pressed. This could be problematic if an operator were to
try to reverse the motor direction without waiting for the fan to stop
turning. If the fan was still coasting forward and the "Reverse" pushbutton
was pressed, the motor would struggle to overcome that inertia of the large
fan as it tried to begin turning in reverse, drawing excessive current and
potentially reducing the life of the motor, drive mechanisms, and fan. What
we might like to have is some kind of a time-delay function in this motor
control system to prevent such a premature startup from happening.
Let's begin by adding a couple of time-delay relay coils, one in parallel
with each motor contactor coil. If we use contacts that delay returning to
their normal state, these relays will provide us a "memory" of which
direction the motor was last powered to turn. What we want each time-delay
contact to do is to open the starting-switch leg of the opposite rotation
circuit for several seconds, while the fan coasts to a halt.
 If the motor has been running in the forward
direction, both M1 and TD1 will have been energized.
This being the case, the normally-closed, timed-closed contact of TD1
between wires 8 and 5 will have immediately opened the moment TD1
was energized. When the stop button is pressed, contact TD1 waits
for the specified amount of time before returning to its normally-closed
state, thus holding the reverse pushbutton circuit open for the duration so
M2 can't be energized. When TD1 times out, the contact
will close and the circuit will allow M2 to be energized, if the
reverse pushbutton is pressed. In like manner, TD2 will prevent
the "Forward" pushbutton from energizing M1 until the prescribed
time delay after M2 (and TD2) have been de-energized.
The careful observer will notice that the time-interlocking functions of
TD1 and TD2 render the M1 and M2
interlocking contacts redundant. We can get rid of auxiliary contacts M1
and M2 for interlocks and just use TD1 and TD2's
contacts, since they immediately open when their respective relay coils are
energized, thus "locking out" one contactor if the other is energized. Each
time delay relay will serve a dual purpose: preventing the other contactor
from energizing while the motor is running, and preventing the same
contactor from energizing until a prescribed time after motor shutdown. The
resulting circuit has the advantage of being simpler than the previous
example:

REVIEW:
Motor contactor (or "starter") coils are typically designated by the
letter "M" in ladder logic diagrams.
Continuous motor operation with a momentary "start" switch is possible
if a normally-open "seal-in" contact from the contactor is connected in
parallel with the start switch, so that once the contactor is energized it
maintains power to itself and keeps itself "latched" on.
Time delay relays are commonly used in large motor control circuits to
prevent the motor from being started (or reversed) until a certain amount
of time has elapsed from an event
|